Linapack, Kreuzmayr LFS 1000 Line for Pouch Bags (2018)Linapack, Kreuzmayr
Linie für Beutelverpackungen
Linapack, Kreuzmayr LFS 1000 Line for Pouch Bags (2018)
Linapack, Kreuzmayr
Linie für Beutelverpackungen
Year of construction
2018
Condition
Used
Location
Menslage 

Show images
Show map
Machine data
Price & Location
- Seller location:
- Mühlenhorst 8, 49637 Menslage, Germany

Call
Details about the offer
- Listing ID:
- A182-34876
- Reference number:
- DE-COM-LIN-2018-00001
- Update:
- 26.01.2025
Description
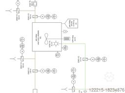
Overview The offered filling line for pouch bags was designed by a Swiss company and also delivered by them in 2018. The main manufacturer is Linapack. The line was only used for seasonal production only (2 months a year), therefore the working hours are very low. As the sales volumes are not further increasing, the seller decided to sell the line and stop the production. The line is still assembled and can be shown. It is possible to handle different formats of pouch bags and to do hot filling up to 85°C. The current owner used it for Cocktails but it can also be used for various other non carbonated drinks. Tech. Details Capacity: 50 bags/ hour, depending on the volume 750 -900 l/h Bag dimensions Width: 80 - 180mm Height: 100 - 300mm Filling temperature: 71 - 85 °C Siemens PLC Line consists of 1,000 l buffer tank agitator Flow meter Level detection Cleaning spray ball Integrated into pasteurizer control system Flash pasteurizer Kreuzmayr PAS-900 Capacity: 750 - 1,000 l/h Heated with steam Fully automatic Automatic cleaning with Hot water steam acid caustic With tubular heat exchanger Automatic filler Linapack LFS-1000 Duplex with Siemens PLC Seven Station system motorized magazine with pick and place system to supply pouches Opening of the pouches with vacuum gripper Filling unit with flow meter and temperature sensor, automated rejection, if temperature is too low Sealing of pouches Sealing of pouches Cooling of the seal Pouch discharge Check weigher Cooler and dryer for pouches Cooling in water bath With UV lamps for desinfication Drying by blower, five nozzles Conveyors and collection table
Lsdpfsvptt Rox Ac Hjta
Lsdpfsvptt Rox Ac Hjta
Seller
Note: Register for free or log in, to access all information.
Registered since: 2022
Send inquiry
Telephone & Fax
+49 5431 ... show
These listings may also fit your interest.
Listing
Lorquí
7,920 km
FBR ASEPTIC FILLER FOR BAGS OF 2-25 L
FBR ELPOAS-30/WEB NEW
FBR ELPOAS-30/WEB NEW
Listing
Fumane (Verona)
8,269 km
Filling Monoblock
AMS Ferrari
AMS Ferrari
Listing
Lorquí
7,920 km
FBR ELPO 1 HEAD ASEPTIC FILLER
FBR ELPOAST-1000-2´´
FBR ELPOAST-1000-2´´
Listing
Lorquí
7,920 km
Complete line for pomegranate and juices
TOMAS GUILLEN
TOMAS GUILLEN
Listing
United Kingdom
6,982 km
2100 Litre 316L Stainless Steel IBC
PALPHARMAIBC
PALPHARMAIBC
Listing
Czech Republic
8,233 km
5,720 Litre 316L Stainless Steel Vacuum Storage Tank, 1500mm Dia x 2500mm Straight Side
SCHWARTE-MILFOR5,720 Litre
SCHWARTE-MILFOR5,720 Litre
Your listing has been deleted successfully
An error has occurred





























































